ZL40/50 Hydraulic gearbox

ZL40
ZL40
ZL40/50 Hydraulic gearbox
Application:
  • Motor

  • Electric Cars

  • Motorcycle

  • Machinery

  • Marine

  • Agricultural Machinery

  • Car

Function:

Gearbox is made of converter and mechanical gearbox,  controlled by hydraulic pressure and easy to operate.   Converters are widely used in the frequent load and speed  changing four-wheel drive transmission machines such as  loader ,grab machinery and so on.

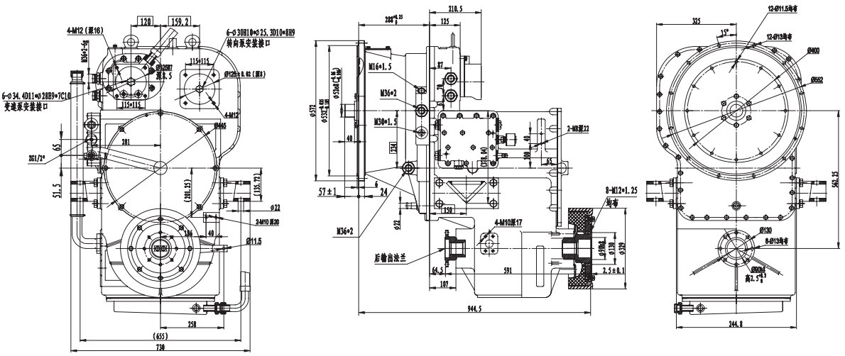
Gearbox dimensions

Technical parameters

parameters

ZL40

ZL50

Rated input power

114KW

154KW

Input/Output center distance

562.25mm

Stall torque ratio

4±0.2

Converter outlet oil pressure

0.2~0.3MPa


2.155

transmission ration

Forward

0.578

Backward

1.577


Consult Now

123456

0086 15966062319

yiwen.wang@yunqimachinery.com