ZL15F Hydraulic shift gearbox

ZL15F
ZL15F
ZL15F Hydraulic shift gearbox
Application:
  • Motor

  • Electric Cars

  • Motorcycle

  • Machinery

  • Marine

  • Agricultural Machinery

  • Car

Function:

1. The gearbox is fixed-axis, constantly meshed, hydraulically shifted, and has a small shift impact.

2. Its two clutch housings are connected as one and installed on the same shaft. The four clutches work together to form two forward gears and two reverse gears. The structure is compact and has high transmission efficiency.

3. The front end of the gearbox is equipped with a brake for parking brake.

4. The gearbox and torque converter are each independent power transmission units, which are easy to maintain.

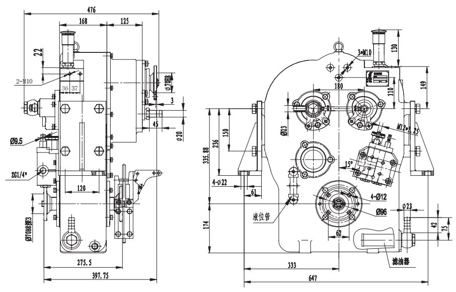
Gearbox dimensions

Technical parameters

Engine input power

55-75KW

Engine input speed

1800-2400 r/min

Transmission ratio of each gear

F Ⅰ=2.16

F Ⅰ=2.47


FⅡ=0.77

FⅡ=0.878


R Ⅰ=2.21

R Ⅰ=2.524


RⅡ=0.79

RⅡ=0.898

Working oil

6#/8#Hydraulic transmission oil

Control valve oil pressure

1.2-1.5 MPa

Lubrication cooling oil pressure

0.15-0.3 MPa

Operating temperature

80-110℃


Consult Now

123456

0086 15966062319

yiwen.wang@yunqimachinery.com