ZL10/265 power shift gearbox series

ZL10 power shift gearbox series
ZL10 power shift gearbox series
ZL10/265 power shift gearbox series
Application:
  • Motor

  • Electric Cars

  • Motorcycle

  • Machinery

  • Marine

  • Agricultural Machinery

  • Car

Function:

1. The gearbox is fixed-axis, constantly meshed, and hydraulically shifted, with small shift impact.

2. Its two clutch housings are connected as one and mounted on the same shaft. Four sets of clutches work together to form two forward gears and two reverse gears. The structure is compact and has high transmission efficiency.

3. The front end of the gearbox is equipped with a brake for parking brake.

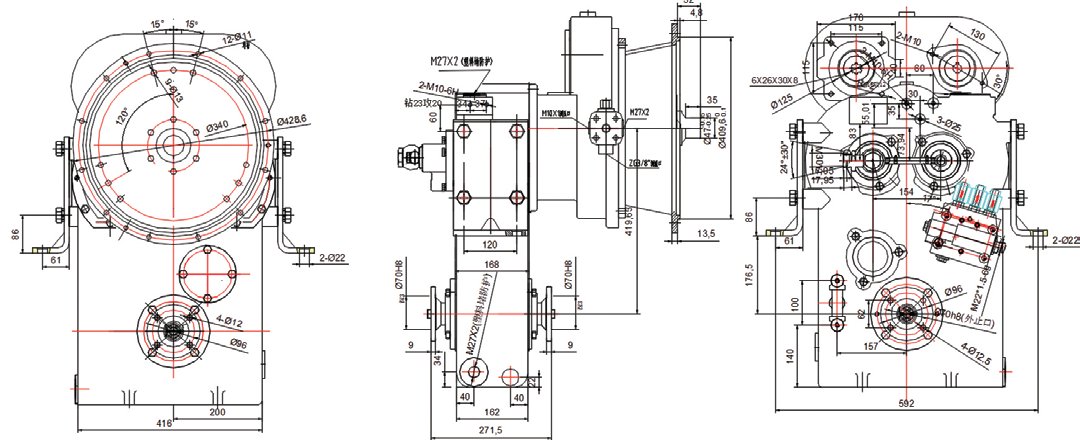
Gearbox dimensions

Technical parameters

Engine input power

40-55KW

Engine input speed

1800-2400 r/min

Transmission ratio of each gear

F Ⅰ=7.01

F Ⅰ=3.67

F Ⅰ=4.96


FⅡ=2.78

FⅡ=1.46

FⅡ=1.96


R Ⅰ=7.01

R Ⅰ=3.36

R Ⅰ=4.96


RⅡ=2.78

RⅡ=1.46

RⅡ=1.96

Working oil

6#/8#Hydraulic transmission oil

Control valve oil pressure

1.2-1.5 MPa

Lubrication cooling oil pressure

0.15-0.3 MPa

Operating temperature

80-110℃


Consult Now

123456

0086 15966062319

yiwen.wang@yunqimachinery.com