ZL10 type high and low speed hydraulic shift gearbox

ZL10
ZL10
ZL10 type high and low speed hydraulic shift gearbox
Application:
  • Motor

  • Electric Cars

  • Motorcycle

  • Machinery

  • Marine

  • Agricultural Machinery

  • Car

Function:

1. Advanced structure, reasonable design

2. Reliable performance, easy operation, high working efficiency

3. ZL mechanical hydraulic transmission is widely used in the power transmission of four-wheel drive engineering machinery (loaders and loading and unloading machinery) with frequent load and speed changes.

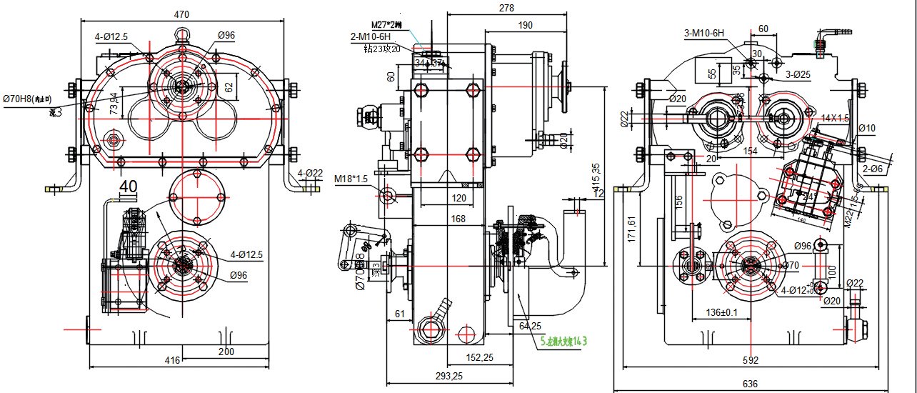
Gearbox dimensions

Technical parameters

Engine input power

40-55KW

Engine input speed

1800-2400 r/min

 

 

Transmission ratio of each gear

F Ⅰ=3.38

R Ⅰ=3.38

FⅡ=2.03

RⅡ=2.03

FⅢ=1.04

RⅢ=1.04

FⅣ=0.62

RⅣ=0.62

Working oil

6#/8#Hydraulic transmission oil

Control valve oil pressure

1.2-1.5 MPa

Lubrication cooling oil pressure

0.15-0.3 MPa

Operating temperature

80-110℃


Consult Now

123456

0086 15966062319

yiwen.wang@yunqimachinery.com