English
(0)
Motor
Electric Cars
Motorcycle
Machinery
Marine
Agricultural Machinery
Car
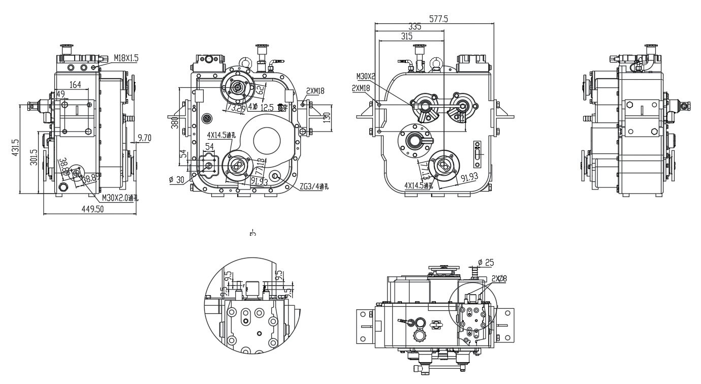
Gearbox dimensions
Technical parameters
Go ahead 1
4.068
Go ahead2
1.971
Go ahead3
0.945
Reverse1
3.969
Reverse2
1.923
Reverse3
0.922
Matching power
70-90KW
Consult Now
Related products
123456
0086 15966062319
yiwen.wang@yunqimachinery.com