English
(0)
Motor
Electric Cars
Motorcycle
Machinery
Marine
Agricultural Machinery
Car
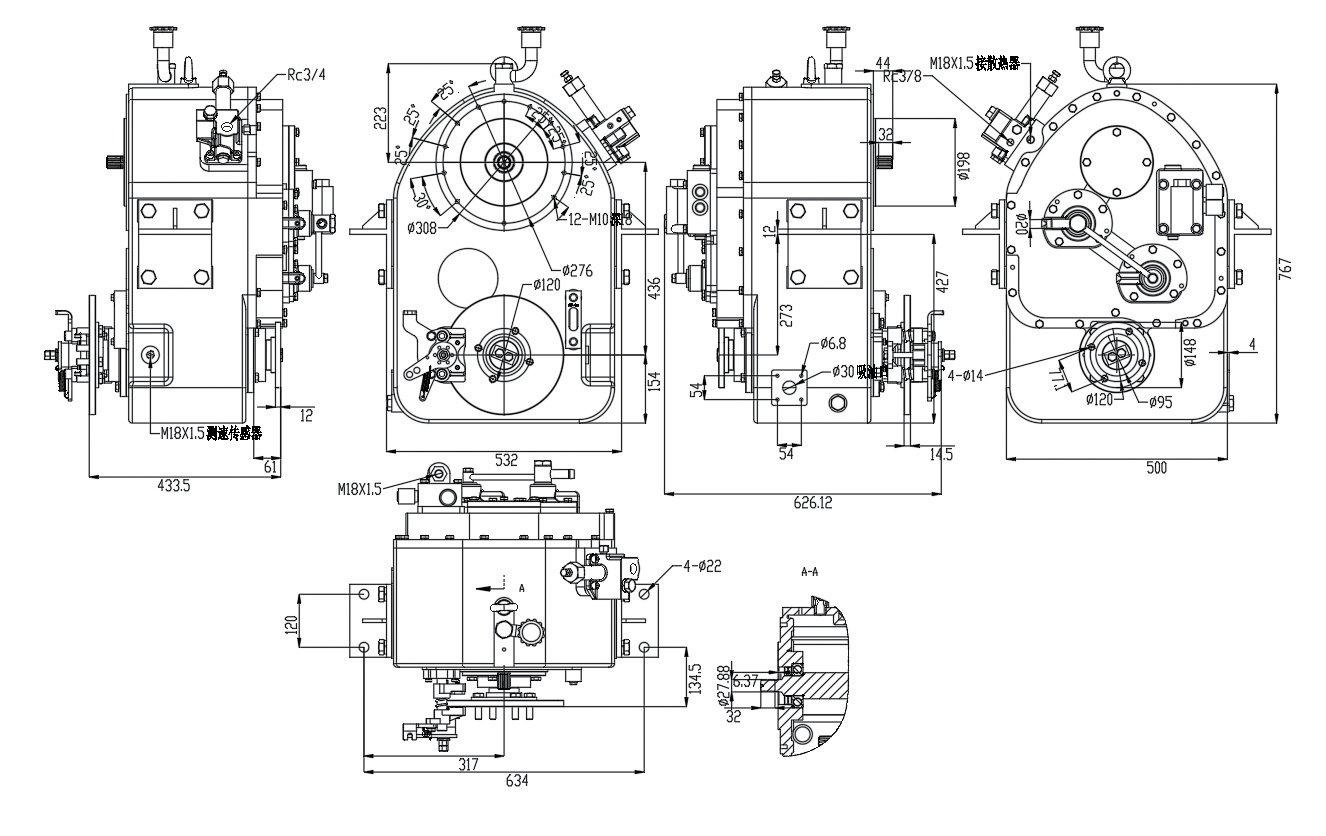
Gearbox dimensions
Technical parameters
Maximum input torque
1700N.m
Low speed ratio
8.95
High speed ratio
2.55
Control oil pressure
1.7~1.9MPa
Consult Now
Related products
123456
0086 15966062319
yiwen.wang@yunqimachinery.com