YJ280F hydraulic converter

YJ280F
YJ280F
YJ280F hydraulic converter
Product Description:

YJ280F hydraulic torque converter is developed by using the advanced manufacturing technology of Komatsu, Japan. It is the first in China to use the world's advanced technology such as coated sand with low resin sand content, hot core box and metal mold impeller casting in the field of production technology. Its structure is advanced and reasonable, and its main technical performance indicators are at the leading level in China, with reliable quality.

Application:
  • Motor

  • Electric Cars

  • Motorcycle

  • Machinery

  • Marine

  • Agricultural Machinery

  • Car

Function:

The YJ280F hydraulic torque converter is a single-stage single-phase centripetal turbine hydraulic torque converter with advanced structure, reliable operation, easy to match with the host, simple to use and maintain, etc. This type of torque converter can be used for ZL15 loader.

Advantages of hydraulic transmission over mechanical transmission

◆ The hydraulic torque converter is a single-stage centripetal turbine with three components, compact structure and reliable operation. 

◆ The middle section of the hydraulic torque converter and the elastic plate have various interfaces to match various engines. 

◆ The hydraulic torque converter has automatic torque conversion function, is self-adaptive to external loads, can play a role in vibration reduction and vibration isolation, so as to automatically meet the requirements of engineering machinery traction conditions, and avoid engine flameout due to sudden increase in external loads, thereby increasing the service life of the engine and improving the passability and comfort of the vehicle. 

◆ The gearbox and torque converter are each independent power transmission units, which are easy to maintain.

Torque converter schematic

image

Product Parameters

ProjectNumericUnit
Limit input torque400 N.m
Rated power50-75kw
Rated speed1800-2400rpm
Nominal torque at zero speed35.2 N.m
Nominal torque under high efficiency condition35.7 N.m
Zero speed torque coefficient3.43 
Highest efficiency0.845 
Working oil6#18#Hydraulic transmission oil
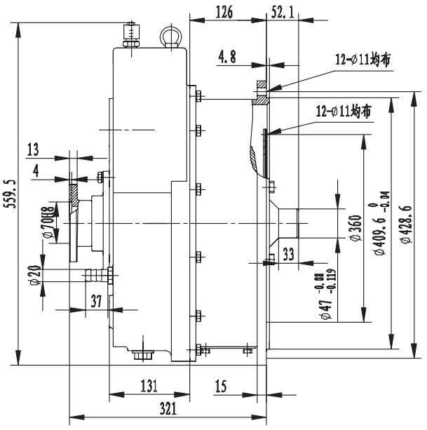
Dimensions374×550×488mm


Consult Now

123456

0086 15966062319

yiwen.wang@yunqimachinery.com